Ningbo Richge Technology Co. , Ltd.
Ningbo Richge Technology Co. , Ltd.
สินค้า
สินค้า
VBI-244 ประเภทฉนวนกันความร้อนทรงกระบอก MV Vacuum Circuit Breaker
  • VBI-244 ประเภทฉนวนกันความร้อนทรงกระบอก MV Vacuum Circuit BreakerVBI-244 ประเภทฉนวนกันความร้อนทรงกระบอก MV Vacuum Circuit Breaker
  • VBI-244 ประเภทฉนวนกันความร้อนทรงกระบอก MV Vacuum Circuit BreakerVBI-244 ประเภทฉนวนกันความร้อนทรงกระบอก MV Vacuum Circuit Breaker

VBI-244 ประเภทฉนวนกันความร้อนทรงกระบอก MV Vacuum Circuit Breaker

Model:VBI-24
เบรกเกอร์สูญญากาศในร่ม VBI ซีรี่ส์เป็นเบรกเกอร์วัคซีนอัจฉริยะรุ่นใหม่ ส่วนประกอบที่มีชีวิตรวมถึงเครื่องดูดฝุ่นที่มีประสิทธิภาพสูงและเทอร์มินัลขาออกบนและล่างนั้นถูกห่อหุ้มในเทอร์มินัลโพสต์อีพอกซีเรซิน การออกแบบนี้ช่วยป้องกันการปนเปื้อนบนพื้นผิวของเครื่องดูดฝุ่นเพิ่มคุณสมบัติของฉนวนความเสถียรเชิงกลและการยืดอายุการใช้งาน กลไกการดำเนินงานของ VBI-25 ด้านที่ติดตั้งด้านข้างของวงจรสูญญากาศใช้สปริงเพื่อการจัดเก็บพลังงานซึ่งสามารถใช้งานได้สองวิธีด้วยตนเองหรือไฟฟ้าลักษณะเป็นไปตาม GB1984-89, JB3855-96<10kv Indoor High Voltage Vacuum Circuit Breaker General Technical Specifications>บทบัญญัติที่เกี่ยวข้องของมาตรฐาน IEC56 VBI-244 เบรกเกอร์วัคซีนแรงดันไฟฟ้าสูงในร่มคือแรงดันไฟฟ้าสามเฟส AC 50Hz, แรงดันไฟฟ้าที่ได้รับการจัดอันดับของอุปกรณ์ในร่ม 24kV สำหรับองค์กรอุตสาหกรรมและเหมืองแร่โรงไฟฟ้าและสถานีย่อยเพื่อควบคุมอุปกรณ์ไฟฟ้าและการป้องกันและการดำเนินงานบ่อยครั้งของสถานที่

VBI-244 ประเภทฉนวนกันความร้อนทรงกระบอก MV Vacuum Circuit Breaker

   VBI-24 ซีรีส์ของเบรกเกอร์สูญญากาศแรงดันไฟฟ้าสูงในร่มที่มีเสาฝังอยู่เป็นสามวลี A.C.50 Hz อุปกรณ์การกระจายพลังงานในร่มพร้อมแรงดันไฟฟ้าที่ได้รับการจัดอันดับ 24 kV ที่ใช้ในการปกป้องและควบคุมอุปกรณ์ไฟฟ้าในสาขาอุตสาหกรรม

   วงจรนำไฟฟ้าหลักของเบรกเกอร์สูญญากาศประเภทนี้ที่มีกลไกสปริงคือเสาฝังซึ่งสามารถปรับปรุงความน่าเชื่อถือของฉนวนกันความร้อนและประสิทธิภาพการทำงานและตระหนักถึงการบำรุงรักษาแบบอิสระและชีวิตที่ยาวนานขึ้น ความสามารถถึงเกรด M-E2-C2

   ผลิตภัณฑ์นี้ใช้สำหรับสวิตช์หลายชนิดเช่น Kyn28-24 (GZS1) และสามารถแก้ไขได้

  VBI-244 เบรกเกอร์วัคซีนแรงดันไฟฟ้าสูงในร่มคือแรงดันไฟฟ้าสามเฟส AC 50Hz, แรงดันไฟฟ้าที่ได้รับการจัดอันดับของอุปกรณ์ในร่ม 24kV สำหรับองค์กรอุตสาหกรรมและเหมืองแร่โรงไฟฟ้าและสถานีย่อยเพื่อควบคุมอุปกรณ์ไฟฟ้าและการป้องกันและการดำเนินงานบ่อยครั้งของสถานที่







ข้อมูลพื้นฐาน


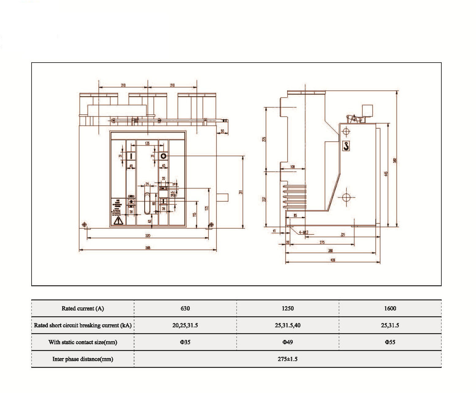
พารามิเตอร์ทางเทคนิค




ภาพวาดทางเทคนิค

คำถามที่พบบ่อย

ถาม: ฉันมีราคาผลิตภัณฑ์ของคุณได้ไหม

ตอบ: ยินดีต้อนรับ โปรดส่งคำถามถึงเราที่นี่ เราจะตอบกลับคุณภายใน 24 ชั่วโมง


ถาม: ฉันสามารถรับตัวอย่างก่อนสั่งซื้อจำนวนมากได้หรือไม่?

ตอบ: ใช่เรายินดีต้อนรับคำสั่งซื้อตัวอย่างเพื่อทดสอบและตรวจสอบคุณภาพตัวอย่างที่มีการผสมเป็นที่ยอมรับ


ถาม: เราสามารถพิมพ์โลโก้/ ชื่อ บริษัท ของเราเกี่ยวกับผลิตภัณฑ์ได้หรือไม่?

ตอบ: ใช่แน่นอนเรายอมรับ OEM แล้วคุณต้องการให้คุณให้การอนุญาตแบรนด์แก่เรา


ถาม: คุณยอมรับการปรับแต่งผลิตภัณฑ์หรือไม่?

ตอบ: ใช่แน่นอนโปรดระบุภาพวาดหรือพารามิเตอร์เฉพาะเราจะเสนอราคาให้คุณหลังจากการประเมินผล


ถาม: เวลานำคืออะไร?

ตอบ: เวลารอคอยขึ้นอยู่กับปริมาณที่สั่งโดยทั่วไปภายใน 7-20 วันหลังจากได้รับการชำระเงิน


ถาม: เงื่อนไขการค้าของคุณคืออะไร?

ตอบ: เรายอมรับ exw, FOB, CIF, FCA ฯลฯ


ถาม: วิธีการชำระเงินของคุณคืออะไร?  

ตอบ: เรายอมรับ T/T, Western Union, PayPal, L/C ที่ไม่สามารถเพิกถอนได้ ฯลฯ


ถาม: คุณตรวจสอบผลิตภัณฑ์สำเร็จรูปหรือไม่?

ตอบ: ใช่แต่ละขั้นตอนของการผลิตและผลิตภัณฑ์สำเร็จรูปจะออกมาตรวจสอบโดยแผนก QC ก่อนจัดส่ง และเราจะจัดทำรายงานการตรวจสอบสินค้าสำหรับการอ้างอิงของคุณก่อนการจัดส่ง


ถาม: จะแก้ปัญหาคุณภาพหลังการขายได้อย่างไร?

ตอบ: ถ่ายภาพปัญหาคุณภาพและส่งมาให้เราเพื่อตรวจสอบและยืนยันเราจะแก้ปัญหาที่น่าพอใจสำหรับคุณภายใน 3 วัน




โรงงาน


ใบรับรอง




แท็กยอดนิยม: VBI-244 ประเภทฉนวนกันความร้อนทรงกระบอก MV Vacuum Circuit Breaker, จีน, ผู้ผลิต, ซัพพลายเออร์, โรงงาน, ราคาต่ำ, คุณภาพ, การขายล่าสุด, ขั้นสูง
ส่งคำถาม
ข้อมูลติดต่อ
  • ที่อยู่

    No.1083 Zhongshan East Road, Yinzhou District, Ningbo City, มณฑลเจ้อเจียง, จีน

  • โทร

    +86-18958965181

  • อีเมล

    sales@switchgearcn.net

หากมีข้อสงสัยเกี่ยวกับสวิตช์เกียร์แรงดันต่ำ ฉนวนไฟฟ้าแรงสูง สวิตช์สายดินไฟฟ้าแรงสูง หรือรายการราคา โปรดฝากอีเมลของคุณมาหาเรา แล้วเราจะติดต่อกลับภายใน 24 ชั่วโมง
คำแนะนำข่าวสาร
X
We use cookies to offer you a better browsing experience, analyze site traffic and personalize content. By using this site, you agree to our use of cookies. Privacy Policy
Reject Accept