Ningbo Richge Technology Co. , Ltd.
Ningbo Richge Technology Co. , Ltd.
สินค้า
สินค้า
ZN12-12 ซีรีส์คอลัมน์สลับสวิตช์เบรกเกอร์สูญญากาศ
  • ZN12-12 ซีรีส์คอลัมน์สลับสวิตช์เบรกเกอร์สูญญากาศZN12-12 ซีรีส์คอลัมน์สลับสวิตช์เบรกเกอร์สูญญากาศ
  • ZN12-12 ซีรีส์คอลัมน์สลับสวิตช์เบรกเกอร์สูญญากาศZN12-12 ซีรีส์คอลัมน์สลับสวิตช์เบรกเกอร์สูญญากาศ

ZN12-12 ซีรีส์คอลัมน์สลับสวิตช์เบรกเกอร์สูญญากาศ

Model:ZN12-12
ZN12-12 ซีรีส์ AC HV Vacuum Circuit Breaker เป็นอุปกรณ์ในร่มของสามเฟส AC 50Hz ได้รับการจัดอันดับแรงดันไฟฟ้า 12kV ซึ่งแนะนำเทคโนโลยีจาก บริษัท เยอรมัน มันเหมาะสำหรับพื้นที่ที่มีการโหลดและการทำงานบ่อยครั้งและสามารถใช้สำหรับการป้องกันและควบคุมอุตสาหกรรมและการขุดองค์กรโรงไฟฟ้าและสิ่งอำนวยความสะดวกไฟฟ้าสถานีย่อย ผลิตภัณฑ์นี้เป็นไปตามข้อกำหนดที่เกี่ยวข้องของ GB1984, JB3855, DL403 และมาตรฐาน IEC

ZN12-12 ซีรีส์คอลัมน์สลับสวิตช์เบรกเกอร์สูญญากาศ

  Zn12-12 ในร่มแรงดันไฟฟ้าแรงดันไฟฟ้าแรงดันไฟฟ้าสูงได้รับการจัดอันดับแรงดันไฟฟ้า 12kV และสวิตช์แรงดันไฟฟ้าสูงในร่มต่อไปนี้ส่วนใหญ่ติดตั้งในสวิตช์เกียร์คงที่สำหรับองค์กรอุตสาหกรรมและเหมืองแร่โรงไฟฟ้าและสถานีย่อยสำหรับการป้องกันและการควบคุมสิ่งอำนวยความสะดวกไฟฟ้า

  เบรกเกอร์สูญญากาศของ ZN12 Series เป็นอุปกรณ์สวิตช์แรงดันไฟฟ้าสูงในร่มที่มีแรงดันไฟฟ้า 12kV, 24kV และ 40.5kV และ AC 50Hz สามเฟส มันเป็นผลิตภัณฑ์ในประเทศที่พัฒนาขึ้นโดยการแนะนำเทคโนโลยี Siemens 3AF เยอรมันกลไกการทำงานของเบรกเกอร์เป็นประเภทการจัดเก็บพลังงานฤดูใบไม้ผลิซึ่งสามารถใช้งานได้โดย AC หรือ DC หรือด้วยตนเอง เบรกเกอร์มีโครงสร้างที่เรียบง่ายความสามารถในการทำลายที่แข็งแกร่งอายุการใช้งานที่ยาวนานและฟังก์ชั่นการทำงานที่สมบูรณ์ และไม่มีอันตรายจากการระเบิดและการบำรุงรักษานั้นง่าย มันเหมาะสำหรับการควบคุมหรือป้องกันสวิตช์การส่งกำลังและระบบการกระจายพลังงานเช่นโรงไฟฟ้าสถานีย่อยและองค์กรอุตสาหกรรมและเหมืองแร่โดยเฉพาะอย่างยิ่งเหมาะสำหรับการทำลายโหลดที่สำคัญและสถานที่ดำเนินงานบ่อยครั้ง รูปแบบการติดตั้งของเบรกเกอร์วงจรในตู้สวิตช์อาจเป็นประเภทคงที่หรือเบรกเกอร์ประเภทที่ถอนได้ผลิตภัณฑ์นี้สอดคล้องกับมาตรฐานที่เกี่ยวข้องเช่น GB1984, JB3855 และ IEC62271-100“ เบรกเกอร์วงจร AC แรงดันสูง”


ข้อดี:

1. วงจรเบรกเกอร์ผ่านการประเมินของกระทรวงกลไกและกระทรวงพลังงานไฟฟ้าในวันที่ 96 สิงหาคมซึ่งหมายความว่ามีการรับประกันคุณภาพอย่างแน่นอน

กลไกเบรกเกอร์วงจรถูกรวมเข้ากับสวิตช์และกลไกการจัดเก็บพลังงานสปริงชนิดพิเศษสามารถใช้งานได้โดยการจัดเก็บพลังงาน AC และ DC หรือดำเนินการด้วยตนเอง

ด้วยโครงสร้างที่เรียบง่ายความสามารถในการทำลายที่แข็งแกร่งอายุการใช้งานที่ยาวนานฟังก์ชั่นการทำงานที่สมบูรณ์ไม่มีอันตรายจากการระเบิดและการบำรุงรักษาที่ง่ายเบรกเกอร์วงจรนี้เหมาะสำหรับการควบคุมหรือการป้องกันการส่งสัญญาณการส่งกำลังและระบบการกระจายพลังงานเช่นโรงไฟฟ้ากริดพลังงานของเมือง


คุณสมบัติ:

1. ความสามารถในการทำลายของห้องดับเพลิงนั้นสูงความสามารถในการบรรทุกปัจจุบันอยู่ในระดับต่ำและอายุการใช้งานไฟฟ้ายาว

2. เลย์เอาต์มาจากด้านหน้าไปด้านหลังโครงสร้างที่เรียบง่ายและกะทัดรัดการทำงานที่สมบูรณ์และการบำรุงรักษาง่าย

3. เพื่อที่จะจัดโครงสร้างและการติดตั้งสามารถแบ่งออกเป็น: ประเภทคงที่แนวนอน, ประเภทคงที่แบบเอียง, ประเภทการเคลื่อนย้ายแบบตรงกลาง






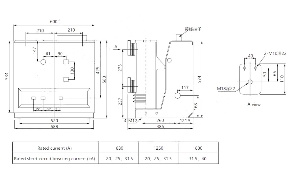
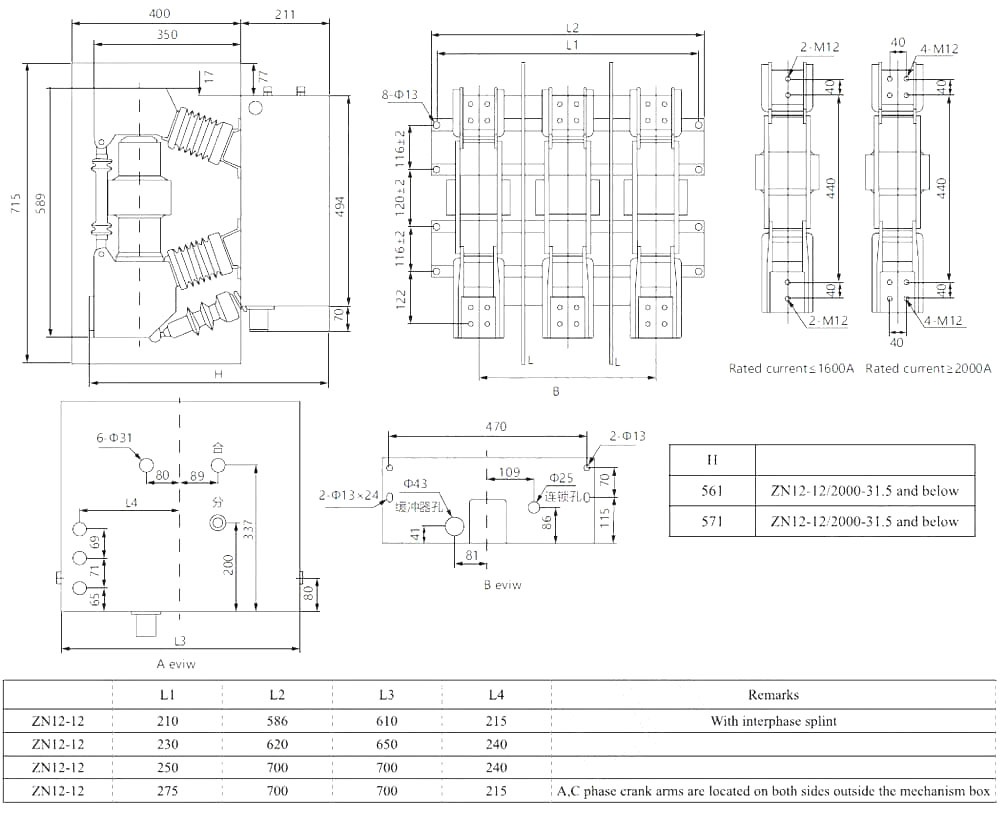
ข้อมูลพื้นฐาน



พารามิเตอร์ทางเทคนิค



ภาพวาดทางเทคนิค


เงื่อนไขการใช้งานของ ZN12-12 คอลัมน์สลับสลับวัคซีนวงจรเบรกเกอร์ 1 ระดับความสูง: ≤1000 m; (ระดับความสูงของต้นแบบสามารถเข้าถึงได้ต่ำกว่า 4,000 เมตร)

2. อุณหภูมิแวดล้อม: สูงสุด +40 ° C, ต่ำสุด -25 ° C;

3. ความชื้นสัมพัทธ์: เฉลี่ยรายวันไม่เกิน 95%ค่าเฉลี่ยรายเดือนไม่เกิน 90%;

4. ความเข้มของแผ่นดินไหว: น้อยกว่า 8;

5. สภาพแวดล้อมการติดตั้ง: ไม่มีไฟ, อันตรายจากการระเบิด, ไม่มีก๊าซกัดกร่อนและไม่มีสถานที่การสั่นสะเทือนที่รุนแรง

6. กรุณาติดต่อผู้ผลิตเบรกเกอร์สูญญากาศหากสภาพแวดล้อมการใช้งานเกินกว่าที่กล่าวมาข้างต้น




คำถามที่พบบ่อย

ถาม: ฉันมีราคาผลิตภัณฑ์ของคุณได้ไหม

ตอบ: ยินดีต้อนรับ โปรดส่งคำถามถึงเราที่นี่ เราจะตอบกลับคุณภายใน 24 ชั่วโมง


ถาม: ฉันสามารถรับตัวอย่างก่อนสั่งซื้อจำนวนมากได้หรือไม่?

ตอบ: ใช่เรายินดีต้อนรับคำสั่งซื้อตัวอย่างเพื่อทดสอบและตรวจสอบคุณภาพตัวอย่างที่มีการผสมเป็นที่ยอมรับ


ถาม: เราสามารถพิมพ์โลโก้/ ชื่อ บริษัท ของเราเกี่ยวกับผลิตภัณฑ์ได้หรือไม่?

ตอบ: ใช่แน่นอนเรายอมรับ OEM แล้วคุณต้องการให้คุณให้การอนุญาตแบรนด์แก่เรา


ถาม: คุณยอมรับการปรับแต่งผลิตภัณฑ์หรือไม่?

ตอบ: ใช่แน่นอนโปรดระบุภาพวาดหรือพารามิเตอร์เฉพาะเราจะเสนอราคาให้คุณหลังจากการประเมินผล


ถาม: เวลานำคืออะไร?

ตอบ: เวลารอคอยขึ้นอยู่กับปริมาณที่สั่งโดยทั่วไปภายใน 7-20 วันหลังจากได้รับการชำระเงิน


ถาม: เงื่อนไขการค้าของคุณคืออะไร?

ตอบ: เรายอมรับ exw, FOB, CIF, FCA ฯลฯ


ถาม: วิธีการชำระเงินของคุณคืออะไร?  

ตอบ: เรายอมรับ T/T, Western Union, PayPal, L/C ที่ไม่สามารถเพิกถอนได้ ฯลฯ


ถาม: คุณตรวจสอบผลิตภัณฑ์สำเร็จรูปหรือไม่?

ตอบ: ใช่แต่ละขั้นตอนของการผลิตและผลิตภัณฑ์สำเร็จรูปจะออกมาตรวจสอบโดยแผนก QC ก่อนจัดส่ง และเราจะจัดทำรายงานการตรวจสอบสินค้าสำหรับการอ้างอิงของคุณก่อนการจัดส่ง


ถาม: จะแก้ปัญหาคุณภาพหลังการขายได้อย่างไร?

ตอบ: ถ่ายภาพปัญหาคุณภาพและส่งมาให้เราเพื่อตรวจสอบและยืนยันเราจะแก้ปัญหาที่น่าพอใจสำหรับคุณภายใน 3 วัน




โรงงาน


ใบรับรอง




แท็กยอดนิยม: ZN12-12 ซีรีส์คอลัมน์สวิตช์เบรกเกอร์วัคซีน Vacuum Breaker, จีน, ผู้ผลิต, ซัพพลายเออร์, โรงงาน, ราคาต่ำ, คุณภาพ, การขายล่าสุด, ขั้นสูง, ขั้นสูง
ส่งคำถาม
ข้อมูลติดต่อ
  • ที่อยู่

    No.1083 Zhongshan East Road, Yinzhou District, Ningbo City, มณฑลเจ้อเจียง, จีน

  • โทร

    +86-18958965181

  • อีเมล

    sales@switchgearcn.net

หากมีข้อสงสัยเกี่ยวกับสวิตช์เกียร์แรงดันต่ำ ฉนวนไฟฟ้าแรงสูง สวิตช์สายดินไฟฟ้าแรงสูง หรือรายการราคา โปรดฝากอีเมลของคุณมาหาเรา แล้วเราจะติดต่อกลับภายใน 24 ชั่วโมง
X
We use cookies to offer you a better browsing experience, analyze site traffic and personalize content. By using this site, you agree to our use of cookies. Privacy Policy
Reject Accept